سنسور تشخیص دما lm35 اورجینال To220
۸۵,۰۰۰ تومان
سنسور تشخیص دما lm35 اورجینال To220 یا سنسورهای دما آنالوگ از Texas Instruments ولتاژ خروجی 10 mV/° C را مستقیماً متناسب با دمای دستگاه می دهد. LM35 برای کاربردهای مختلف از جمله لوازم خانگی ، تلفن های همراه ، بازی ، درایوهای دیسک ، مدیریت باتری ، ابزارهای پزشکی قابل حمل و چاپگرها مناسب است.
در انبار موجود نمی باشد
سنسور تشخیص دما lm35 اصلی To220
قطعات الکترونیکی LM35D و سنسور دما LM35DZ LM35 و یا سنسور دما آنالوگ سریال 2 سیم 3 پین 3+ Tab TO-220 ریل از انواع سنسور دما می باشند.
شرح:
سری LM35 دستگاه های دقیق دمای مدار مجتمع با ولتاژ خروجی خطی متناسب با دمای سانتیگراد هستند.
دستگاه LM35 نسبت به سنسورهای دمای خطی کالیبره شده در کلوین برتری دارد ، زیرا کاربر مجبور نیست ولتاژ ثابت زیادی را از خروجی کم کند تا مقیاس بندی مناسب درجه سانتی گراد را بدست آورد.
دستگاه LM35 نیازی به کالیبراسیون یا برش خارجی ندارد تا بتواند دمای معمولی ±¼°C را در دمای اتاق و ±¾°C در محدوده دمای کامل − 55 تا 150 درجه سانتی گراد ارائه دهد.
هزینه کمتر با برش و کالیبراسیون در سطح wafer تضمین می شود.
امپدانس خروجی پایین ، خروجی خطی و کالیبراسیون دقیق ذاتی دستگاه LM35 رابط را برای خواندن یا کنترل مدارها بسیار آسان می کند.
این دستگاه با منبع تغذیه منفرد یا با منابع اضافی و منفی استفاده می شود.
از آنجایی که دستگاه LM35 فقط 60 میکرو آمپر از منبع تغذیه می گیرد، دارای گرمایش بسیار کم کمتر از 0.1 درجه سانتی گراد در هوای ساکن است.
دستگاه LM35 دارای درجه حرارت 55- تا 150 درجه سانتی گراد است، در حالی که دستگاه LM35C در محدوده 40- تا 110 درجه سانتی گراد (10- درجه با دقت بیشتر) درجه بندی می شود.
دستگاه های سری LM35 در بسته های ترانزیستوری TO هرمتیک بسته بندی می شوند، در حالی که دستگاه های LM35C ، LM35CA و LM35D در بسته پلاستیکی ترانزیستور TO-92 موجود هستند.
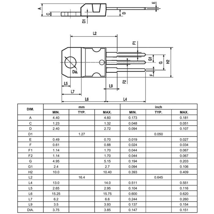
دستگاه LM35D در یک بسته طرح کوچک 8 سربی روی سطح و یک بسته پلاستیکی TO-220 موجود است.
مشخصات محصول:
سنسور دمای آنالوگ LM35:
محدوده LM35 سنسورهای دما آنالوگ از Texas Instruments ولتاژ خروجی 10 mV/° C را مستقیماً متناسب با دمای دستگاه می دهد. LM35 برای کاربردهای مختلف از جمله لوازم خانگی ، تلفن های همراه ، بازی ، درایوهای دیسک ، مدیریت باتری ، ابزارهای پزشکی قابل حمل و چاپگرها مناسب است.
خانواده: LM35D
عملکرد: سنسور دما
دقت: ± 0.6 درجه سانتی گراد
نوع رابط: سریال (2 سیم)
محدوده دما: -40 تا +110 درجه سانتی گراد (LM35C) ، 0 تا +100 درجه سانتی گراد (LM35D)
دقت: 75 0.75 C (معمولی)
کالیبره مستقیم در درجه سانتیگراد (درجه سانتیگراد)
بهره سنسور (خروجی): 10mV/° C
خودگرمایش پایین: 0.08 درجه سانتی گراد در هوای ساکن
ولتاژ تغذیه: +4V تا +30Vdc
کدهای محصول RS
533-5890 LM35CZ/NOPB -40 تا +110 درجه سانتیگراد TO92
533-5878 LM35CAZ/NOPB -40 تا +110 درجه سانتی گراد TO92
121-8696 LM35CAZ/NOPB -40 تا +110 ° C TO92 (بسته 1800)
535-9436 LM35DM/NOPB 0 تا +100 درجه سانتیگراد SOIC8
121-8837 LM35DM/NOPB 0 تا +100 ° C SOIC8 (بسته 95)
535-9458 LM35DT/NOPB 0 تا +100 درجه سانتی گراد TO220
866-0247 LM35DT/NOPB 0 تا +100 درجه سانتیگراد TO220 (بسته 45 عددی)
811-5595 LM35DZ/LFT1 0 تا +100 درجه سانتیگراد TO92
121-9338 LM35DZ/LFT1 0 تا +100 ° C TO92 (بسته 2000)
922-4836 LM35DZ/NOPB 0 تا +100 درجه سانتیگراد TO92
Temperature detection sensor lm35 original To220
LM35D electronic components
LM35DZ Temperature Sensor LM35
Temperature Sensor Analog Serial 2 Wire 3 Pin 3+ Tab TO-220 Rail
Description
The LM35 series are precision integrated-circuit temperature devices with an output voltage linearly-proportional to the Centigrade temperature.
The LM35 device has an advantage over linear temperature sensors calibrated in Kelvin, as the user is not required to subtract a large constant voltage from the output to obtain convenient Centigrade scaling.
The LM35 device does not require any external calibration or trimming to provide typical accuracies of ±¼°C at room temperature and ±¾°C over a full −55°C to 150°C temperature range.
Lower cost is assured by trimming and calibration at the wafer level.
The low-output impedance, linear output, and precise inherent calibration of the LM35 device makes interfacing to readout or control circuitry especially easy.
The device is used with single power supplies, or with plus and minus supplies.
As the LM35 device draws only 60 μA from the supply, it has very low self-heating of less than 0.1°C in still air.
The LM35 device is rated to operate over a −55°C to 150°C temperature range, while the LM35C device is rated for a −40°C to 110°C range (−10° with improved accuracy).
The LM35-series devices are available packaged in hermetic TO transistor packages, while the LM35C, LM35CA, and LM35D devices are available in the plastic TO-92 transistor package.
The LM35D device is available in an 8-lead surface-mount small outline package and a plastic TO-220 package.
Family : LM35D
Function : Temp Sensor
Accuracy : ±0.6°C
Interface Type : Serial (2-Wire)
Sensor Gain : 10mV/°C
Product Details:
LM35 Analogue Temperature Sensor:
The LM35 range of analogue temperature sensors from Texas Instruments give a 10 mV/°C output voltage directly proportional to the device temperature. The LM35 is suitable for various applications including home appliances, mobile phones, gaming, disk drives, battery management, portable medical instruments and printers.
Temperature range: -40 to +110°C (LM35C), 0 to +100°C (LM35D)
Accuracy: ±0.75°C (Typical)
Calibrated directly in Celsius (Centigrade)
Sensor Gain (Output): 10mV/°C
Low self-heating, 0.08°C in still air
Supply voltage: +4V to +30Vdc
RS Product Codes
533-5890 LM35CZ/NOPB -40 to +110°C TO92
533-5878 LM35CAZ/NOPB -40 to +110°C TO92
121-8696 LM35CAZ/NOPB -40 to +110°C TO92 (Pack of 1800)
535-9436 LM35DM/NOPB 0 to +100°C SOIC8
121-8837 LM35DM/NOPB 0 to +100°C SOIC8 (Pack of 95)
535-9458 LM35DT/NOPB 0 to +100°C TO220
866-0247 LM35DT/NOPB 0 to +100°C TO220 (Pack of 45)
811-5595 LM35DZ/LFT1 0 to +100°C TO92
121-9338 LM35DZ/LFT1 0 to +100°C TO92 (Pack of 2000)
922-4836 LM35DZ/NOPB 0 to +100°C TO92
منبع این مطالب:

دیدگاهها
هیچ دیدگاهی برای این محصول نوشته نشده است.